SPS- Programmierung mit ST

nach IEC 61131 mit CODESYS V2.3 (WAGO-I/O-PRO CAA), e!COCKPIT

  

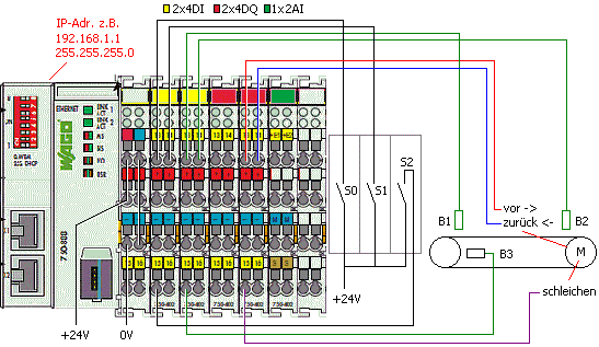
Bandanlage
Übung: Kapitel 2

Wenn Sie mit WAGO-I/O-PRO CAA programmieren, so benutzen Sie z.B. den PFC 750-881,
wenn Sie mit e!COCKPIT programmieren, so benutzen Sie z.B. den PFC 100.
Die Verdrahtung passen Sie an Ihr Förderband an.


  

1. Konfigurieren Sie die Steuerung für die Bandanlage

2. Bestimmen Sie die Adressen
der Schalter, der Sensoren und des Motors

S0 S1 S2 B1 B2 B3
%IX........ %IX........ %IX........ %IX........ %IX........ %IX........
Q1_vor Q2_zur Q3_schleich
%QX........ %QX........ %QX........

3. Schreiben Sie das Programm mit Hilfe der Funktionstabelle.

  

4. Laden Sie das Projekt nach dem Testen in die Steuerung. Passen Sie eventuell die IP-Adresse und die Subnetzmaske an. Vergessen Sie nicht die Kommunikationsparameter über Menü- Online... einzustellen.
Beachten Sie die Hinweise im Anhang des Buches.


© Vogel Buchverlag